请登录
注册
二维码
查看网站
收藏本站
我的资料
中文
中文
/
English
首页
Home
产品中心
Nav
制造工艺
Nav
解决方案
Nav
新品推荐
Nav
关于我们
Nav
快装产品
回转锁
摇把锁
铰链
锁
过滤器
电子锁
配件
压铸
冲压
机加工
MIM
钣金生产
快装技术
应用领域
产品详情
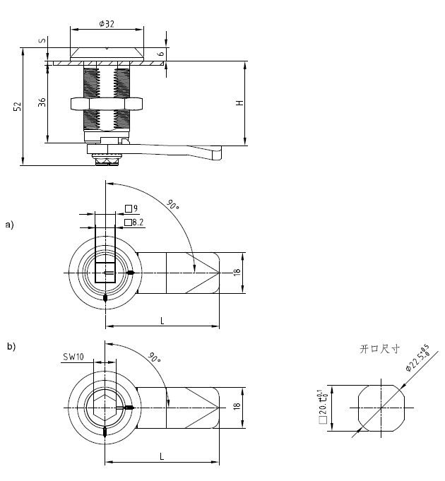
回转锁 Pr20.1 L36
1. 开口尺寸:20.1
2. 左右门通用
3. (S) 最大门板厚度:26mm
4. 主材料:不锈钢
产品详情
规格型号
锁芯
锁舌
a)
351-2463.00-00001
梯形锁芯 8.2mm
L=50
H=37
b)
351-2463.00-00002
内六边形 10mm
L=50
H=37