请登录
注册
二维码
查看网站
收藏本站
我的资料
中文
中文
/
English
首页
Home
产品中心
Nav
制造工艺
Nav
解决方案
Nav
新品推荐
Nav
关于我们
Nav
快装产品
回转锁
摇把锁
铰链
锁
过滤器
电子锁
配件
压铸
冲压
机加工
MIM
钣金生产
快装技术
应用领域
产品详情
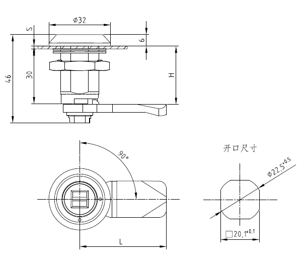
回转锁 Pr20.1 L30
1. 开口尺寸:20.1
2. IP65
3. 带接地螺母,具有接地功能
4. (S)最大门板厚度:20mm
5. 主材料:不锈钢
产品详情
规格型号
锁芯
锁舌
左门/右门
351-2203.00-00000
三角形8mm
L=48
H=56
351-2314.00-00001
正方形9mm
L=45
H=22
351-2314.00-00002
正方形9mm
L=45
H=30
351-2314.00-00003
正方形8mm
L=45
H=30
右门
351-2554.00-0000R
正方形9mm
L=45
H=28