请登录
注册
二维码
查看网站
收藏本站
我的资料
中文
中文
/
English
首页
Home
产品中心
Nav
制造工艺
Nav
解决方案
Nav
新品推荐
Nav
关于我们
Nav
快装产品
回转锁
摇把锁
铰链
锁
过滤器
电子锁
配件
压铸
冲压
机加工
MIM
钣金生产
快装技术
应用领域
产品详情
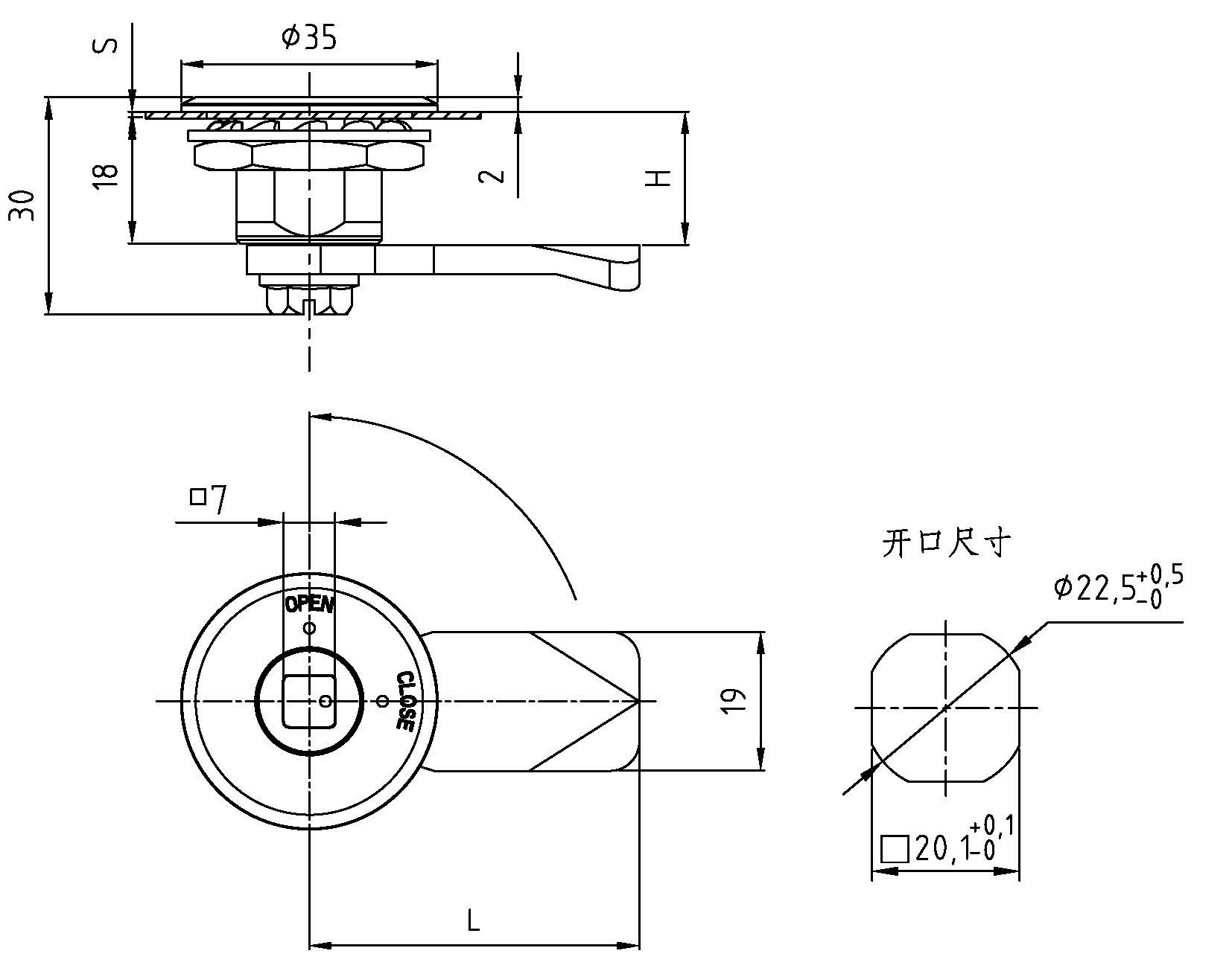
安全回转锁 Pr20.1 L18
1. 开口尺寸:20.1
2. 表面完全紧闭,起到一定的防尘效果
3. 抗震
4. (S)门板最大厚度:6mm
5. 左右门通用
6. 主材料:不锈钢
产品详情
规格型号
锁芯
锁舌
351-2431.04-00002
正方形 7mm
L=50
H=18
351-2431.04-00003
正方形 7mm
L=35
H=10
351-2431.04-00004
正八边形 11mm
L=50
H=18