请登录
注册
二维码
查看网站
收藏本站
我的资料
中文
中文
/
English
首页
Home
产品中心
Nav
制造工艺
Nav
解决方案
Nav
新品推荐
Nav
关于我们
Nav
快装产品
回转锁
摇把锁
铰链
锁
过滤器
电子锁
配件
压铸
冲压
机加工
MIM
钣金生产
快装技术
应用领域
产品详情
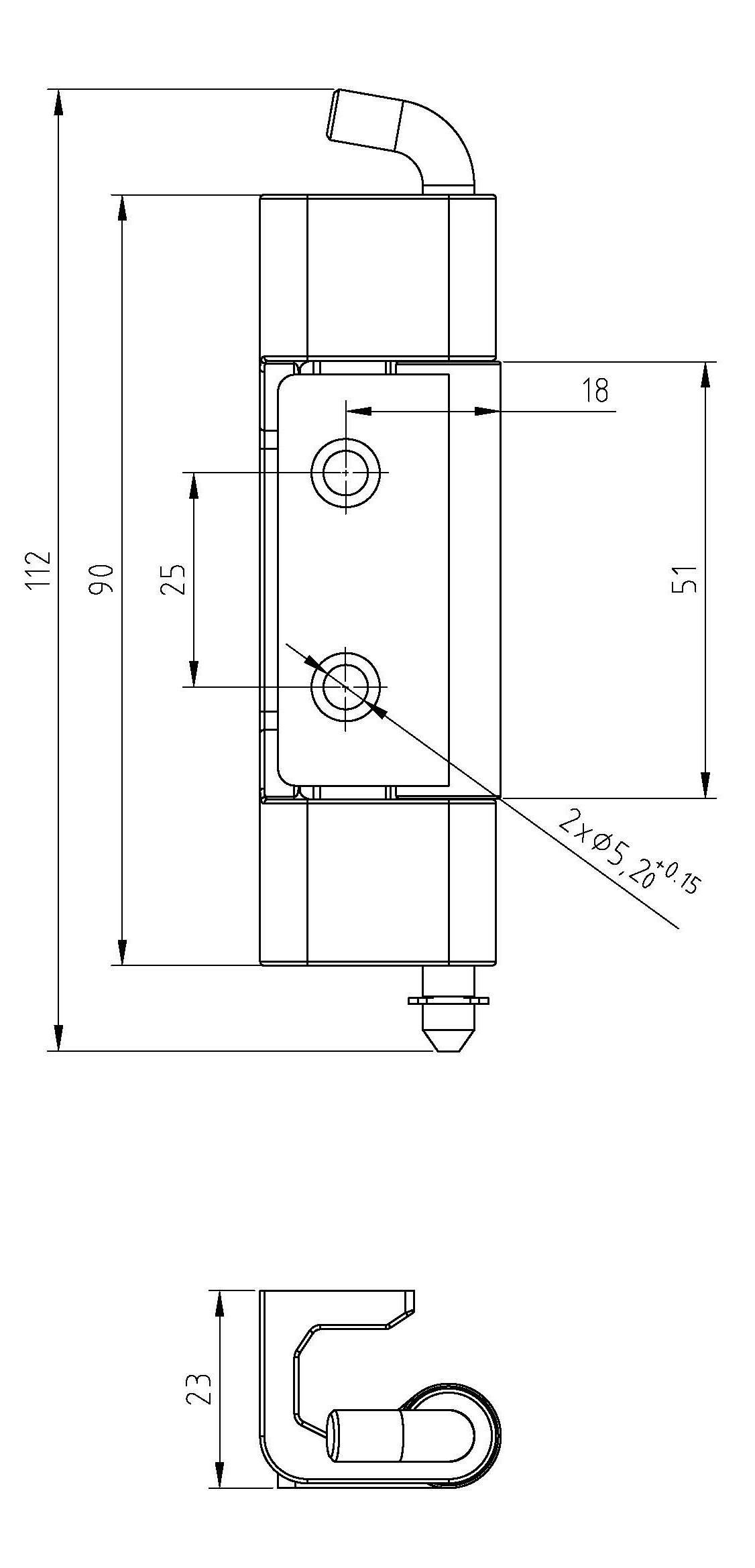
铰链 120°
1. 120°开启角度
2. 中性盐雾:240H /720H
3. 隐藏式铰链
4. 铰链寿命:10000
5. 门折弯:23mm
6. 轴向最大载荷:980N
7. 径向最大载荷:500N
8. 主材料:不锈钢
产品详情
产品名称
规格型号
盐雾时间
铰链120°
354-2200.0M-00000
240H
铰链120°
354-2200.1M-00000
720H