请登录
注册
二维码
查看网站
收藏本站
我的资料
中文
中文
/
English
首页
Home
产品中心
Nav
制造工艺
Nav
解决方案
Nav
新品推荐
Nav
关于我们
Nav
快装产品
回转锁
摇把锁
铰链
锁
过滤器
电子锁
配件
压铸
冲压
机加工
MIM
钣金生产
快装技术
应用领域
产品详情
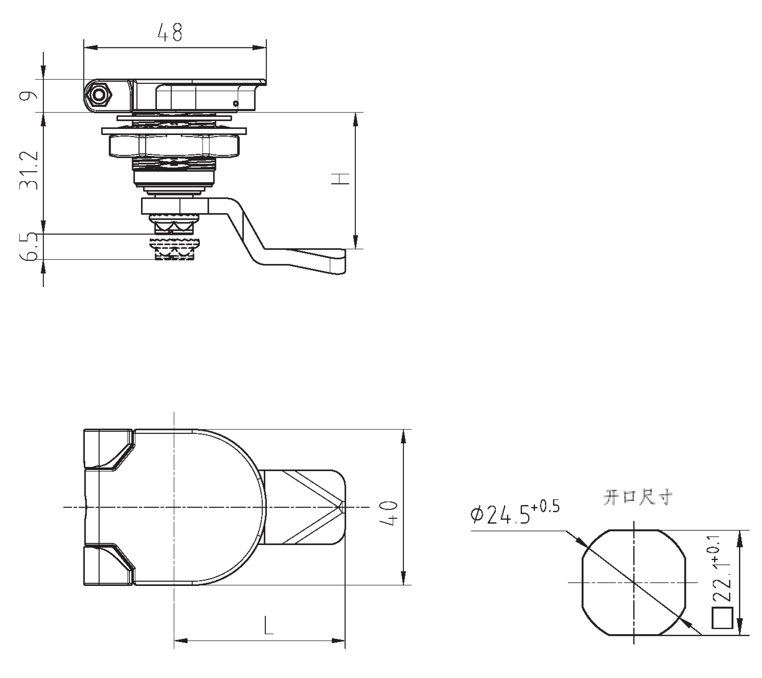
拉紧锁 Pr22.1 L18.5
1. 拉紧高度:6.5mm
2. 开口尺寸:22.1
3. IP67
4. 带防尘盖
5. 主材料:不锈钢
产品详情
规格型号
锁芯
锁舌
左门款
351-2460.00-0001L
正方形 8mm
L=45
H=35
右门款
351-2460.00-0002R
正方形 8mm
L=45
H=35