请登录
注册
二维码
查看网站
收藏本站
我的资料
中文
中文
/
English
首页
Home
产品中心
Nav
制造工艺
Nav
解决方案
Nav
新品推荐
Nav
关于我们
Nav
快装产品
回转锁
摇把锁
铰链
锁
过滤器
电子锁
配件
压铸
冲压
机加工
MIM
钣金生产
快装技术
应用领域
产品详情
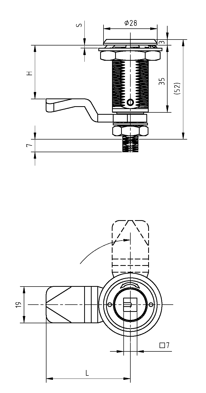
拉紧锁 Pr19.1 L35
1. 拉紧高度:7mm
2. 开口尺寸:19.1
3. IP65
4. (S) 最大门板厚度:25mm
5. 主材料:不锈钢
产品详情
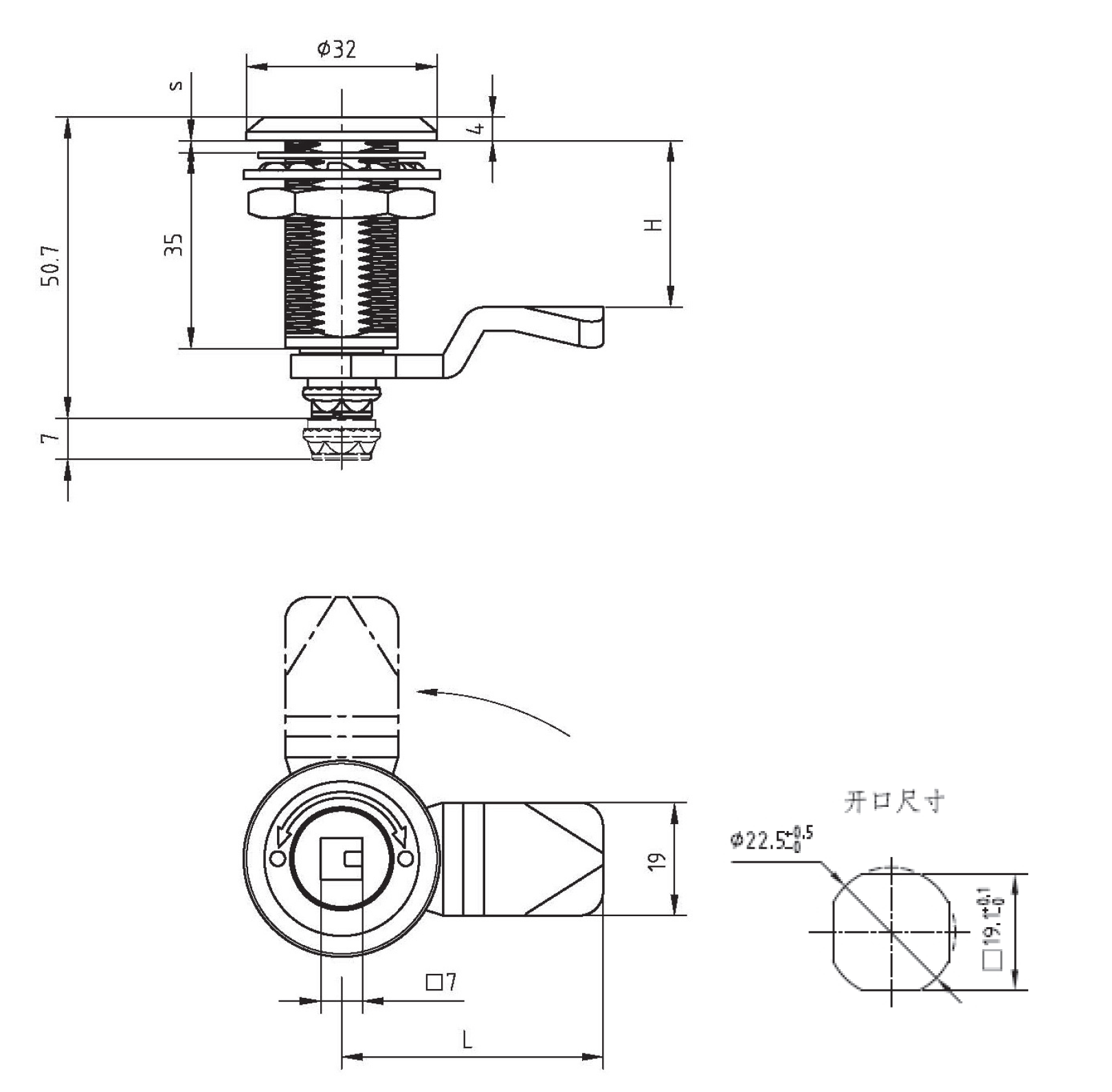
规格型号
锁壳头部
锁芯
锁舌
带防尘盖
左门款
351-2597.04-L0002
Φ32x4
正方形8mm
L=45
H=28
351-2597.04-L0006
Φ32x4
正方形7mm
L=45
H=28
351-2597.04-L0007
Φ28x3
正方形7mm
L=45
H=28
是
右门款
351-2597.04-R0002
Φ32x4
正方形 8mm
L=45
H=28
351-2597.04-R0004
Φ28x3
正方形7mm
L=45
H=28