请登录
注册
二维码
查看网站
收藏本站
我的资料
中文
中文
/
English
首页
Home
产品中心
Nav
制造工艺
Nav
解决方案
Nav
新品推荐
Nav
关于我们
Nav
快装产品
回转锁
摇把锁
铰链
锁
过滤器
电子锁
配件
压铸
冲压
机加工
MIM
钣金生产
快装技术
应用领域
产品详情
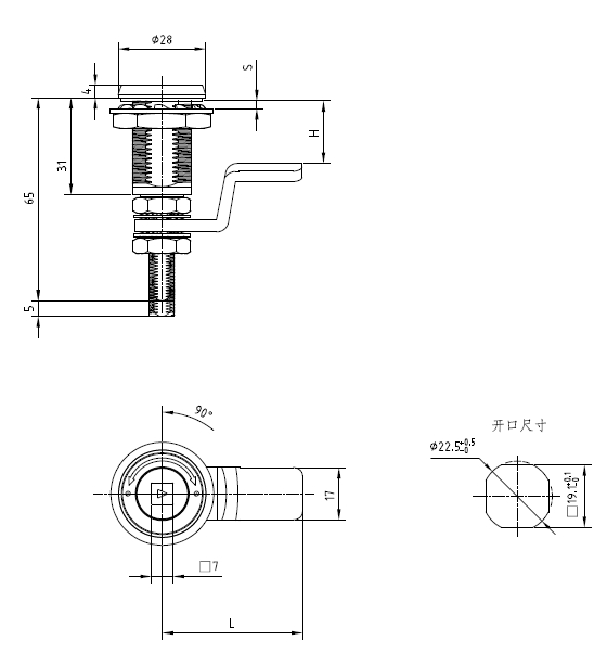
拉紧锁 Pr19.1 L31
1. 拉紧高度:5mm
2. 开口尺寸:19.1
3. IP65
4. (S) 最大门板厚度:20mm
5. 主材料:不锈钢
产品详情
规格型号
锁芯
锁舌
中性盐雾
左门款
351-2611.00-19L00
正方形 7mm
L=45
H: 20~30
351-2614.84-0000L
正方形 8.5mm
L=45
H: 22~32
500H